ラックスマン、フラグシップシリーズのプリアンプ「C-1000f」を発売

2006年03月10日
  • Twitter
  • FaceBook
  • LINE
 
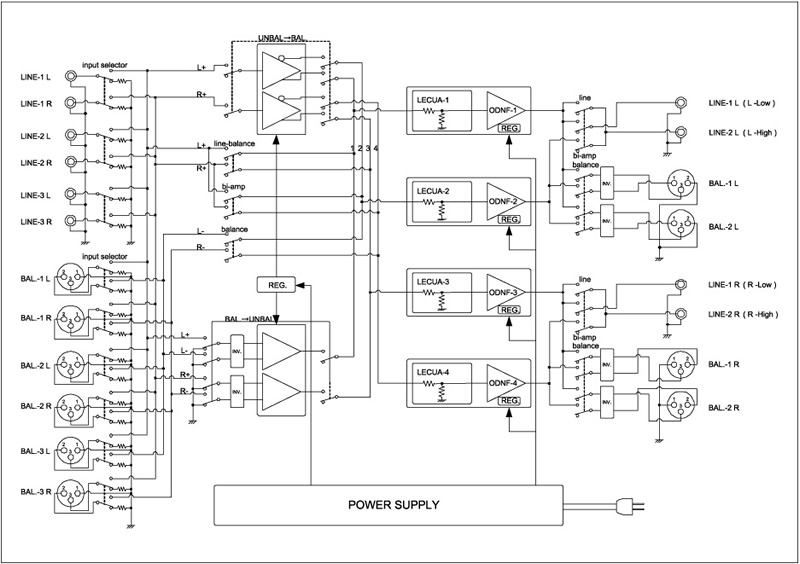
本機のブロック図

この記事の画像一覧