USB-DAC機能やUSBストレージ再生にも対応

エソテリック初のネットワークプレーヤー「N-05」を聴く - 専用アプリで操作性も追求

山之内 正 2016年09月06日
  • Twitter
  • FaceBook
  • LINE
 
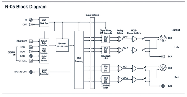
デジタル回路とD/Aコンバーター以降のアナログ回路はアイソレーターで分離し、徹底したノイズ対策を実施

この記事の画像一覧