人気スマホの実力とは
【測定】最新テレビより高画質? iPhone 7のディスプレイを測定機で調べた
近年、AmazonビデオやNetflixといった動画配信サービスの台頭により、スマホやタブレットで映像を視聴する機会が増えている。筆者はiPhone7ユーザーなのだが、仕事でいろいろなスマホを評価していると、少なく無い画質差に驚かされる。
特に色味の違いは顕著で、映画など高品位なコンテンツの鑑賞ではクオリティーに関わり、映像から受ける印象も大きく異なってしまう。また現実問題として、ネットでファッション関連など、「色」が重要な買い物をする際は、「こんなはずじゃなかった…」と、トラブルになりかねないクリティカルな要素だ。
そこで今回は、筆者が測定してきた中でベストと思えるiPhone7に注目し、画質を詳細に測定分析する。iPhone7の実力とは?!
■評価の方針
評価を行うに際し、基準を明確にしておきたい。ここでは、制作者の意図を忠実に再現できるディスプレイを良しとする。制作基準はいくつか存在するが、一般に流通しているコンテンツの現状を鑑みると、「HDTV」が主流で、数値に置き換えると色温度はD65(6508K)、色域はRec.709、ガンマは2.2ということになる。
なお、ディスプレイ上の色の見え方は、周囲の環境光による色順応が影響する。映像装置の多くは、実使用状況を勘案して調整(画作り)されているケースが多く、基準値に合致しないものは全てNGという訳ではない。この点を留意の上、以降を読み進んで頂きたい。
■測定評価
【基本項目】
画面の最大輝度(白100%)は、570.5/m2をマーク。晴天時の直射日光下でも映像を把握できる明るさだ。近年登場している有機ELタイプに比べ、液晶ディスプレイのアドバンテージと言える。コントラスト比は、実用に近い条件として、白100%表示時の輝度を100cd/m2付近に調整した後、「白輝度」と「黒輝度」を測定して算出した。
今回得た1453対1というコントラスト値は、IPSパネルを用いたテレビ製品に比べると、3倍程度の高水準である。黒輝度が0.07cd/m2と非常に低く抑えられているのが好結果に繋がった。本機はIPSパネルでありながら、テレビ製品と比較すれば、VAパネルをも上回るコントラストが得られていることになる。
【グレースケールトラッキング/ガンマ/色域】
色温度は概ね7000K程度。HDTV基準のD65(6508K)に比べるとやや高く、色としては青味を帯びていることになるが、暗部から明部まで安定していることから、Appleが意図したものと考えられる。電球のように暖色の照明下では青味を感じるが、屋外やオフィスなら適正な水準だ。
ちなみにテレビ製品の標準モードは9000K〜10000Kと高いモノが多く、これらに比べると、店頭展示で横並び比較される際の見栄えよりも、「制作基準」を意識した良心的な設定と言える。
色域はRec.709に準拠。近年は広色域を謳う製品が多い中、非常に真面目な設定と言え、好感が持てる。ガンマは2.2に高精度に沿っていて、正確な階調表現が期待できる。
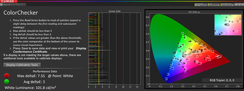
【色再現性】
図中「CIE 1931 xy」の大きな三角形は人間が見る事のできる色の範囲で、内側の三角がRec.709の範囲を示している。その中で白い枠が測定のターゲット、色のついた丸印が実際の測定値をプロットしたもの。
評価は中央のグラフ「DeltaE 2000」が指標になる。Δ1(緑色のライン)以下だと、人間の視覚で基準に対する色のズレが識別できない。Δ3(黄色のライン)は、違いが分かるものの許容範囲、Δ10(赤色)のラインを超えるとNGとされる
色温度が7000K程度と高めのため、白100%のΔ値が7.55と、Max deltaE値とAve deltaE値の脚を引っ張る結果になってしまった。とは言え、Ave deltaEは高精度なディスプレイの指標と言える「3」を達成している。一般的なテレビ製品に比べても優秀なレベルだ。
■目視評価
【色および明暗の再現性】
測定結果で制作基準に高精度に沿っていることが分かったが、目視でもナチュラルな色再現が好ましい。近年、広色域を謳うディスプレイでは色域を拡張する傾向があり、特に緑色が蛍光色に見えて違和感を覚えるケースが多い。
本機の場合、芝や木の葉の緑が適切な彩度と明度で表示され、飽和することなく繊細な色の違いもきちんと表現できている。黒潰れや白飛びといった不具合が見当たらず、暗部から明部にかけて適切な階調表現により柔らかな風合いをナチュラルに表示できているのも優秀。こうしたポイントも測定結果と合致している。
■総合評価/判定 リファレンス(特秀)/秀/良/可/不可
黒浮きが皆無で、コントラスト性能の高さは特筆に値する。色温度が7000K程度と少し高めだが、グレースケールトラッキングとガンマが高精度に整っているのは好ましく、高画質を意識した設計や出荷調整など努力の跡が見える。色再現性、色温度の設定を差し引けば、民生用の映像装置としては手本と言える「リファレンスレベル」と評価したい。
解像度の面では、本機は1,334×750とフルHD未満だが、輪郭強調のためのシャープネスによるシュートなどが皆無で、動画ボヤケも少なくトータルで高解像度と言える。特にAmazonビデオは、Android端末ではSD画質になってしまうところ、iPhoneではHD画質のストリーミングを受けることができ、実際に視聴しても緻密な映像美を楽しめる。一般的なテレビ製品よりもiPhoneは高画質と言え、制作者の意図したカラーバランスの映像を視聴すれば、審美眼も養われるはずだ。
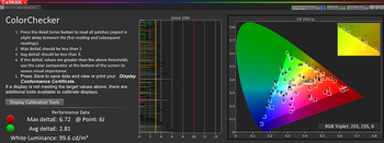
余談だが、よりHDTV基準に近づけるべく、色温度の低下にも繋がる「ナイトシフトモード」を試してみた。「ナイトシフトモード」をONにすると、スライドバーが最も左端の「冷たく」で画面の色温度は約6480Kだった。この状態で再度測定した結果は以下の通り。
結論として、リファレンスモニター的に利用するなら「ナイトシフトモード」ONで、スライドバーは左端の「冷たく」に設定することをおすすめしたい。
◇
冒頭でも述べたが、スマホやタブレットで動画を視聴するユーザーが増えているのは紛れも無い事実だ。また、大画面化、高精細化、有機ELパネルの採用、HDR対応など高画質モデルが続々登場しているので、据置型テレビよりも高画質な携帯端末を手に入れる読者が増える可能性も高い。
今回iPhone7の分析では、テレビ製品より色再現性の正確さなど侮れない状況にあることが確認できた。次回も高画質で話題のモデルを取り上げて分析するので、乞うご期待である。またリクエストがあれば、編集部へ要望をお知らせ頂きたい。
特に色味の違いは顕著で、映画など高品位なコンテンツの鑑賞ではクオリティーに関わり、映像から受ける印象も大きく異なってしまう。また現実問題として、ネットでファッション関連など、「色」が重要な買い物をする際は、「こんなはずじゃなかった…」と、トラブルになりかねないクリティカルな要素だ。
そこで今回は、筆者が測定してきた中でベストと思えるiPhone7に注目し、画質を詳細に測定分析する。iPhone7の実力とは?!
■評価の方針
評価を行うに際し、基準を明確にしておきたい。ここでは、制作者の意図を忠実に再現できるディスプレイを良しとする。制作基準はいくつか存在するが、一般に流通しているコンテンツの現状を鑑みると、「HDTV」が主流で、数値に置き換えると色温度はD65(6508K)、色域はRec.709、ガンマは2.2ということになる。
なお、ディスプレイ上の色の見え方は、周囲の環境光による色順応が影響する。映像装置の多くは、実使用状況を勘案して調整(画作り)されているケースが多く、基準値に合致しないものは全てNGという訳ではない。この点を留意の上、以降を読み進んで頂きたい。
■測定評価
【基本項目】
画面の最大輝度(白100%)は、570.5/m2をマーク。晴天時の直射日光下でも映像を把握できる明るさだ。近年登場している有機ELタイプに比べ、液晶ディスプレイのアドバンテージと言える。コントラスト比は、実用に近い条件として、白100%表示時の輝度を100cd/m2付近に調整した後、「白輝度」と「黒輝度」を測定して算出した。
今回得た1453対1というコントラスト値は、IPSパネルを用いたテレビ製品に比べると、3倍程度の高水準である。黒輝度が0.07cd/m2と非常に低く抑えられているのが好結果に繋がった。本機はIPSパネルでありながら、テレビ製品と比較すれば、VAパネルをも上回るコントラストが得られていることになる。
【グレースケールトラッキング/ガンマ/色域】
色温度は概ね7000K程度。HDTV基準のD65(6508K)に比べるとやや高く、色としては青味を帯びていることになるが、暗部から明部まで安定していることから、Appleが意図したものと考えられる。電球のように暖色の照明下では青味を感じるが、屋外やオフィスなら適正な水準だ。
ちなみにテレビ製品の標準モードは9000K〜10000Kと高いモノが多く、これらに比べると、店頭展示で横並び比較される際の見栄えよりも、「制作基準」を意識した良心的な設定と言える。
色域はRec.709に準拠。近年は広色域を謳う製品が多い中、非常に真面目な設定と言え、好感が持てる。ガンマは2.2に高精度に沿っていて、正確な階調表現が期待できる。
【色再現性】
図中「CIE 1931 xy」の大きな三角形は人間が見る事のできる色の範囲で、内側の三角がRec.709の範囲を示している。その中で白い枠が測定のターゲット、色のついた丸印が実際の測定値をプロットしたもの。
評価は中央のグラフ「DeltaE 2000」が指標になる。Δ1(緑色のライン)以下だと、人間の視覚で基準に対する色のズレが識別できない。Δ3(黄色のライン)は、違いが分かるものの許容範囲、Δ10(赤色)のラインを超えるとNGとされる
色温度が7000K程度と高めのため、白100%のΔ値が7.55と、Max deltaE値とAve deltaE値の脚を引っ張る結果になってしまった。とは言え、Ave deltaEは高精度なディスプレイの指標と言える「3」を達成している。一般的なテレビ製品に比べても優秀なレベルだ。
■目視評価
【色および明暗の再現性】
測定結果で制作基準に高精度に沿っていることが分かったが、目視でもナチュラルな色再現が好ましい。近年、広色域を謳うディスプレイでは色域を拡張する傾向があり、特に緑色が蛍光色に見えて違和感を覚えるケースが多い。
本機の場合、芝や木の葉の緑が適切な彩度と明度で表示され、飽和することなく繊細な色の違いもきちんと表現できている。黒潰れや白飛びといった不具合が見当たらず、暗部から明部にかけて適切な階調表現により柔らかな風合いをナチュラルに表示できているのも優秀。こうしたポイントも測定結果と合致している。
■総合評価/判定 リファレンス(特秀)/秀/良/可/不可
黒浮きが皆無で、コントラスト性能の高さは特筆に値する。色温度が7000K程度と少し高めだが、グレースケールトラッキングとガンマが高精度に整っているのは好ましく、高画質を意識した設計や出荷調整など努力の跡が見える。色再現性、色温度の設定を差し引けば、民生用の映像装置としては手本と言える「リファレンスレベル」と評価したい。
解像度の面では、本機は1,334×750とフルHD未満だが、輪郭強調のためのシャープネスによるシュートなどが皆無で、動画ボヤケも少なくトータルで高解像度と言える。特にAmazonビデオは、Android端末ではSD画質になってしまうところ、iPhoneではHD画質のストリーミングを受けることができ、実際に視聴しても緻密な映像美を楽しめる。一般的なテレビ製品よりもiPhoneは高画質と言え、制作者の意図したカラーバランスの映像を視聴すれば、審美眼も養われるはずだ。
余談だが、よりHDTV基準に近づけるべく、色温度の低下にも繋がる「ナイトシフトモード」を試してみた。「ナイトシフトモード」をONにすると、スライドバーが最も左端の「冷たく」で画面の色温度は約6480Kだった。この状態で再度測定した結果は以下の通り。
結論として、リファレンスモニター的に利用するなら「ナイトシフトモード」ONで、スライドバーは左端の「冷たく」に設定することをおすすめしたい。
冒頭でも述べたが、スマホやタブレットで動画を視聴するユーザーが増えているのは紛れも無い事実だ。また、大画面化、高精細化、有機ELパネルの採用、HDR対応など高画質モデルが続々登場しているので、据置型テレビよりも高画質な携帯端末を手に入れる読者が増える可能性も高い。
今回iPhone7の分析では、テレビ製品より色再現性の正確さなど侮れない状況にあることが確認できた。次回も高画質で話題のモデルを取り上げて分析するので、乞うご期待である。またリクエストがあれば、編集部へ要望をお知らせ頂きたい。
